 
             
            
                微信掃碼
                不僅是專業的導購
                還是聊車的好伙伴
            
 
            
                微信掃碼
                不僅是專業的導購
                還是聊車的好伙伴
            
1、 隨車吊 隨車起重運輸車作業參數
起重機出廠時,下表給出了SQ600ZB5型起重機作業性能參數
表一  
 類別 項目 單位 SQ600ZB5 起 重 機 性 能 參 數 最大額定起升質理 kg 30000 最大起升力矩 Kn.m 600 最大工作幅度 M 13.3 最大起升高度 M 15.8 支腿跨距 M 6.00 油箱容積 L 240 回轉角度 ° 360°連續回轉 液壓系統額定壓力(禁止調節) Mpa 28 系統流量 L/min 70 起重機自重 kg 7100
 
 
 
 
 
 
 
 
 
 
 
 
 
 
 
 
 
 
 
 
 
 
 
 
 
 
 
 
 
 
 
 
 
 
 
 
 
 
 
 
 
 
 
 
 
 
2、 隨車吊 隨車起重運輸車轉臺回轉
本機型的隨車起重機是可以連續回轉的,但吊臂在不同的方位時,因為整車穩定性的在因,起重能力會有所不同。
注意:當起重機與不同的汽車底盤組合或安裝位置不同(前置或后置)時,吊臂在不同的方位時的起重能力有會有所不同。
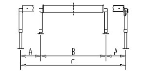
3、 隨車吊 隨車起重運輸車固定支腿與活動支腿
 
 
| 符號 | A | B | C | 
| 數值(mm) | 1955 | 2250 | 6160 | 
隨車吊 隨車起重運輸車液壓系統參數:
| 參數項目 | 單位 | 數值 | 
| 油泵排量 | 1/min | 80 | 
| 系統流量 | 1/min | 70 | 
| 最大工作壓力 | MPa | 32 | 
液壓泵:柱塞泵 型號:80ccOMFB(也可按用戶要求)
液壓油箱容積:240L
4、隨車吊 隨車起重運輸車動作速度
    表三
表三
| 序號 | 項目 | 打開時間(秒) | 回縮時間(秒) | |
| 1 | 伸縮臂伸臂時間 | 90 | 65 | |
| 2 | 內臂變幅時間 |  | 25 | |
| 3 | 外臂變幅時間 |  | 32 | |
| 4 | 水平支腿伸出時間 |  | 9 | |
| 5 | 垂直支腿伸出時間 |  | 10 | |
| 6 | 回轉機構 | 回轉速度 | rpm | ≤2 | 
| 回轉速度 | 度 | 360 | ||
注:1、表中的數值是指起重機空載狀誠泵在額定流理情況下的時間。
2、回轉時間是指起重機回轉一周所需時間。
5、隨車吊 隨車起重運輸車最小工作幅度和最大工作幅度
下圖標注了SQ600ZB5起重機在水平位置的尺寸
 
 
6、 隨車吊 隨車起重運輸車 起重作業方位圖(見圖6)
A區:可以按起升性能曲線牌上數值的100%作業
B區:可以按起升性能曲線牌上數值的90%作業
C區:可以按起升性能曲線牌上數值的80%作業
D區:可以按起升性能曲線牌上數值的70%作業
E區:可以按起升性能曲線牌上數值的60%作業
    
7、 隨車吊 隨車起重運輸車起升性能曲線(見圖7)
注意:如果由于起重機安裝在一輛與該起重機不能匹配的底盤上,將導致起重機的起重性能參數降低,那么圖中給出的參數將不再有效,同樣的,該說明書及起重機上其它位置標定的起重性能參數也同樣會降低。

江鈴新凱運寬體冷藏車整車參數: 整車型號:JX5049XLCTGA26 底盤型號:JX1049TGA26 發動機功率:164馬力 駕駛室寬度:2060mm 底盤自重:2250kg 整車尺寸:5990*2270*3255 廂體尺寸:4020*2100*2100
程力汽車公司主要銷售:冷藏車、吸污車、環衛垃圾車、吸糞車、道路清掃車、高空作業車 地址:湖北省·隨州市·南郊平原崗·程力汽車工業園 網站備案號:鄂ICP備18017768號-134
 
 鄂公網安備 42130202001503號
鄂公網安備 42130202001503號